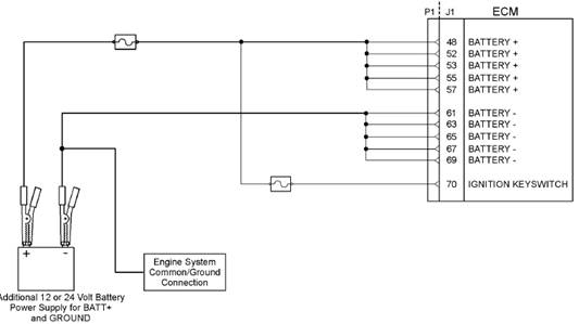
Perkins1204e-e44tta和1206e-e66ta對于點火開關和電池供電電路原理圖

在Perkins1204e-e44tta和1206e-e66ta點火的P1連接器的引腳位置的按鍵開關和電池供電電路

(48)+電池
(52)+電池
(53)+電池
(55)+電池
(57)+電池
(61)炮臺遺址
(63)炮臺遺址
(65)炮臺遺址
(67)炮臺遺址
(69)炮臺遺址
(70)點火鑰匙開關
維修步驟1。檢查電氣連接器和布線徹底檢查電池連接和按鍵開關連接。參考故障排除,“電連接器-檢查”
詳情。
執行一個45氮(10磅)拉力測試每在電解加工接頭中的電線有以下關系:
•P1:48,52,53,55,57(不關閉電池+)
•P1:61,63,65,67,69(電池)
•p1:70(開關)
使用電子服務工具來執行“擺動試驗”。檢查正確的扭矩的電解加工接頭6氮(53磅)。檢查磨損和捏的線束點從電池到電解加工,并從按鍵開關的ECM。
結果:
所有連接器、管腳和插座都正確連接和/或插入和線束是免費的腐蝕,磨損或夾點。–著手測試步驟2。
·有一個連接器和/或線束。
維修:修復接頭或線束和/或更換接頭或線束。
確保所有的密封件都正確到位并確保連接器正確連接。
使用電子服務工具,以清除所有記錄的診斷代碼,然后驗證修復消除故障。
停止。
維修步驟2。主動診斷檢查代碼或記錄診斷代碼連接電子服務工具到診斷連接器。
B.把按鍵開關的位置。
監測活動診斷代碼屏幕上電子服務工具。檢查并記錄任何活動診斷代碼或記錄診斷碼。
注:至少等待30秒診斷代碼變得活躍。
預期的結果:
下列診斷代碼之一是活動的或登錄:
•168-2電池電位/輸入功率1:不穩定,間歇性的或不正確的
•168-3電池電位/輸入功率:電壓1高于正常
•168-4電池電位/輸入功率:電壓1低于正常
結果:
前診斷碼的一個是活動的或記錄的,繼續測試步驟3。
沒有活動的診斷代碼。
修復:故障不再存在。如果故障是間歇性的,指的是故障排除,“電氣連接器-檢查。
停止。
維修步驟3。檢查電池負載測試電池。使用合適的電池負載測試儀。參照系統操作,測試和調整,“電池測試”為正確
程序。
結果:
電池通過負載測試。12伏系統,測得的電壓至少為11伏直流電。24系統,測量電壓是至少22VDC–進行測試步驟4。
電池沒有通過負載測試。12 V系統,測得的電壓不到11VDC。對于24伏系統,測得的電壓是小于22伏。
維修:充電或更換故障電池。使用電子服務工具,以清除所有記錄的診斷代碼,然后驗證修復消除故障。
停止。
維修步驟4。檢查電池電壓ECM連接器
A.斷開P1連接器從ECM。
B.把按鍵開關的位置。
注:對于12伏系統,測得的電壓應該是一個常數11至13.5 VDC。
注:對于24伏系統,測得的電壓應該是一個常數22至27 VDC。
C.測量之間的電壓(變p1:48電池+)和p1:61(電池)。
D.測量之間的電壓(變p1:52電池+)和p1:63(電池)。
E.措施之間的電壓(變p1:53電池+)和p1:65(電池)。
F.測量之間的電壓(變p1:55電池+)和p1:67(電池)。
G.測量之間的電壓(變p1:57電池+)和p1:69(電池)。
H.測量之間的p1:70電壓(開關)和p1:65(電池)。
把開關到OFF位置。
結果:
所測量的電壓在預期之內范圍內的電解加工是正確的電壓。
修理:如果一個間斷的故障,是指故障排除,“電連接器-檢查”。
停止。
電解加工沒有得到正確的電壓或沒有電壓是目前P1:48,52,53,55,57。–著手測試步驟5。
維修步驟5。旁路手術中的應用線束
注:此旁路線束僅用于測試應用。必須拆除該旁路線束在應用程序發布給客戶之前。旁路線束可用于確定是否間歇性的問題是由中斷造成的權力的ECM或按鍵開關電路。
Perkins1204e-e44tta和1206e-e66ta旁路應用線束示意圖

A.打開開關到OFF位置。
B.斷開P1連接器從ECM。
連接一個旁路線束的電解加工。
去除電池+電線的保險絲旁路線束和連接電池+和電池-電線直接到電池端子。
注:該旁路直接連接電路的按鍵開關的ECM。將繼續提供動力直到連接到不關閉電池+線斷開。從網上拆下保險絲保險絲座降低電解加工。不連接旁路到電池端子或不刪除沒有先從電池端旁路拆卸線式熔斷器。
利用萬用表測量電壓之間p2:46和地面。電壓是5伏直流。
注意:拆下旁路線束并還原所有測試后的原始狀態布線。
結果:
•測量的電壓p2:46和地面之間是+ 5伏。當癥狀消失
安裝旁路線束。還有,癥狀當旁路線束被拆除時。–故障是在布線中的應用程序為電解加工提供電源。檢查市場發動機保護開關,中斷電源。
維修:修復有故障的接線或更換線路故障。
停止。
•測量的電壓p2:46和地面之間不+ 5伏。
修理:執行下列步驟:
1。連接旁路到另一個電池和驗證故障是否解決。如果故障是解決,故障是與電池上的應用。
2。如果故障仍然存在,請確保安裝應用程序的最新閃光文件在細胞外基質中。指故障排除,“閃光”編程”。
注:本次咨詢可大大減少維修時間。
4。如果帕金斯全球技術支持推薦使用一種測試電解加工,安裝一個測試電解加工。參考解決問題,“更換電解加工”。
5。使用電子服務工具來復查有源診斷碼系統。
6。如果故障得到解決與測試,重新連接故障點。
7。如果故障返回與故障點,更換電解加工。
8。使用電子服務工具以清除所有記錄的診斷代碼,然后驗證修復消除了故障。停止。